Tilslutning - økonomi og praktik
Her kan du bliver klogere på det praktiske og økonomiske omkring tilslutning til Fjernvarme fra Tørring Kraftvarmeværk.
Byggemodningsbidrag
Der opkræves byggemodningsbidrag i forbindelse med nye udstykningsområder. Byggemodningsbidragets størrelse afhænger af de konkrete forhold i forbindelse med den enkelte byggemodning, og udgør fjernvarmeværkets faktiske omkostninger til etablering af hovedledninger i udstykningsområdet. Byggemodningsbidraget betales i to rater 50% før opstart, det restende ved opgørelse af faktiske omkostninger. Byggemodningsbidrag betales af udstykker, mens investerings- og stikledningsbidrag betales af de kommende forbrugere jf. værkets bestemmelser.
Investeringsbidrag
Investeringsbidraget beregnes på grundlag af ejendommes brutto etageareal i m².
Se gældende takstblad for priser.
Stikledningsbidrag
Til dækning af udgifter til stikledning, målt i tracéet ind til soklen på ejendommen.
Se gældende takstblad for priser.
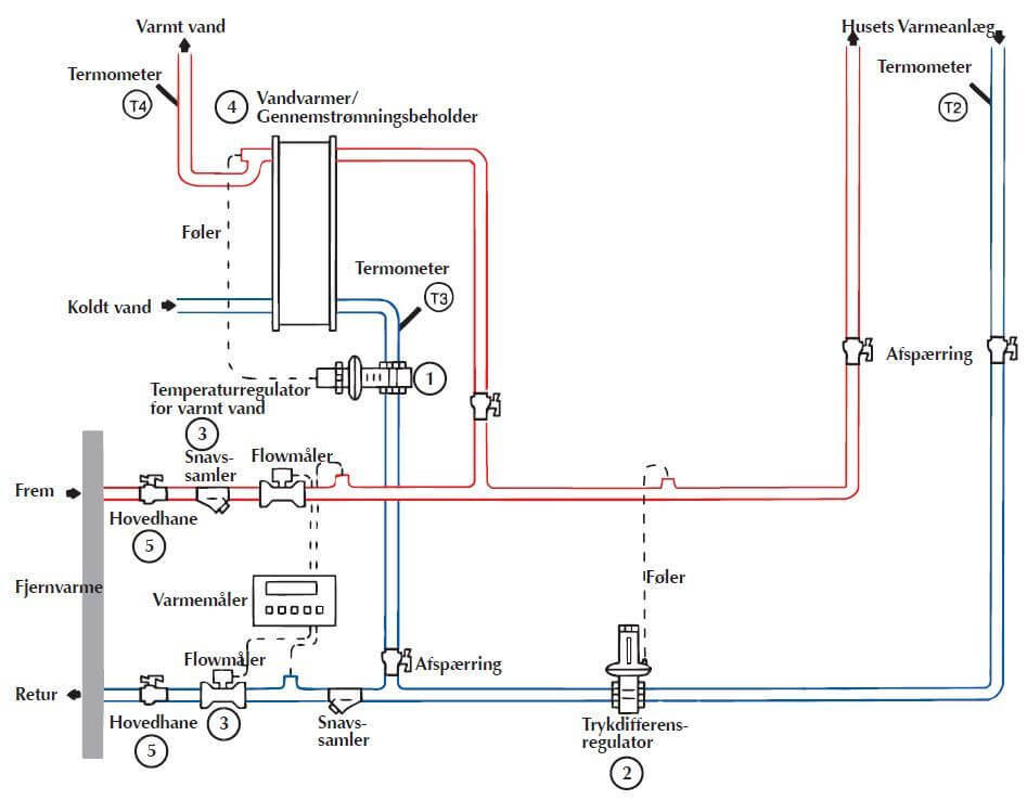
Direkte tilslutning
Tilslutningsdiagrammet viser hvordan installationen skal udføres. Hvis installationen ønskes opbygget på en anden måde, kan det ske efter aftale med Tørring Kraftvarmeværk.

Sådan indstilles varmeinstallationen
Termostatventiler på radiatorer og gulvvarme stilles så lavt, at returløbet på radiatorsystemet føles koldt, og temperaturen på termometer T2 ikke overstiger 30°C.
Temperaturregulatoren for det varme vand kan ændres op eller ned, såfremt temperaturen på det varme vand ikke findes passende.
Temperaturen på termometer T4 bør ved forbrug af varmt vand være 45-55°C. Temperaturen på termometer T3 bør være omkring 30°C eller gerne lavere.
Trykdifferensregulatoren er indstillet til at sikre et passende drivtryk i varmeinstallationen frem til varme-veksleren og temperaturregulatoren. Ved ekstrem kulde kan det blive nødvendigt at skrue lidt op for at opnå et højere tryk.
Varmemåleren
Varmemåleren er normalt placeret på fremløbet, men kan på nogle anlæg være placeret på returløbet.
Varmemåleren måler den forbrugte energimængde i kWh/MWh eller GJ. Ved et tryk på knappen på energimåleren vises der i displayet forskellige aktuelle målinger, f.eks. kubikmeter (m3), målerens driftstimer, temperatur frem, temperatur retur, temperaturdifferens og liter pr. time. Displayet vender efter nogle sekunder automatisk tilbage til visning af energimængden.
I tilfælde af fejl i varmemåleren viser displayet en fejlkode, og varmeværket skal underrettes herom.
En mere detaljeret betjeningsvejledning til måleren kan rekvireres hos varmeværket.
En god varmeøkonomi forudsætter:
- at varmeinstallationen er korrekt udført
- at varmeinstallationen er korrekt indstillet
- at varmen er reguleret rigtigt
– Få eventuelt yderligere information hos dit varmeværk eller hos din VVS-installatør.
